快活林信息发布论坛,蓝精灵全国信息论坛,成都外卖qt海选

浮动球阀使用说明书

1.总则

API 6D浮动球阀是按API 6D标准生产的一种管线阀门产品,用于接通或截断管路中的介质。一般是用于全开或全关状态,不可作调节阀、节流阀使用。本产品为便于清管器清理管道,设计成全通径阀门,广泛适用于工作温度≤121℃、工作压力2.05.0MPa工况条件下油品、天然气、水、蒸气等非腐蚀性介质的各种管路。

2.结构特点:

2.1此系列球阀是通过手柄顺时针转转动手柄来关闭阀门,反向转动则打开阀门,阀杆头部采用扁方结构,与手柄的连接不会错位,从而保证手柄与球体的流量孔方向一致。

当手柄与阀门管线平行时,阀门处于开状态,如图1所示。

当手柄与阀门管线垂直时,阀门处于关状态,如图2所示。

 

2.2先进的阀座

引进国内外先进技术而设计的密封阀座,可靠地保证了阀门密封,磨损系数低、操作力矩小、多种阀座材料、适应范围广。

2.3锁定装置

为防止阀门开关受到误操作以及不可预知的线路振动而产生的不应有的开关动作,在阀门的全开和全关位置设有锁定孔,可用挂锁锁定阀门。特别是阀门安装在野外或在可燃性介质的油品类和化学药品的生产线,该锁定装置就会体现出独特的优越性。

2.4阀杆防飞结构

当阀门内腔压力上升时,阀门中腔的压力可能将阀杆推出。为防止这种情况发生,在阀杆下部设有轴肩,从阀体内部装入阀杆,防止阀杆飞出。这样,对于更换填料较为方便和安全。同时可在火灾后,介质压力将使阀杆轴肩与阀体上密封面紧密接触,防止介质大量从损坏的填料部位泄漏,起到瞬时密封的作用。

2.5防静电设计

当操作阀门时,由于球体和阀座之间的摩擦,会产生静电并积聚在球体上。为防止产生静电火花,特在阀门上设置防静电装置,将开关过程中产生的静电由阀体上导出到管道上,使静电在管道上消失。该阀门使用在燃点较低的汽油、天然气、丙烷等时将能够有效地防止事故的发生。

2.6中法兰(阀体和左体连接部)无外漏结构

阀体与阀盖的连接部是靠金属缠绕垫密封,为防止由于火灾、高温或振动等因素造成该处的泄漏,特设计为阀体与阀盖金属对金属接触,形成定位止口法兰,保证无外漏。

2.7防火结构

当发生火灾时,阀座材料被烧坏,大量泄漏的介质可能加促火势。浮动球体在介质的推力作用下,推动到阀体上,形成短时间的密封,阀门的防火结构设计可阻止介质大量泄漏。在火灾后,各泄漏部位(球体与阀体、中法兰)设计成金属接触,从而阻止了介质大量的烧损从阀座处泄漏。

3.标准与规范

设计与制造

结构长度

法兰端尺寸

压力温度基准

检验与试验

标志

供货

API 6D

API 608

API 6D

ASME B16.5

ASME B16.34

API 6D

API 598

API 6D

JB/T7928

GB/T12237

GB/T12221

HG/T20592

JB/T79

GB/T12224

JB/T9092

GB/T26480

GB/T1220

JB/T7928

 

阀门最大工作压力额定值(压力-温度基准)(表压:bar

温度(℃)

-2938

50

100

121

额定值(MPa150Lb

19.6

19.2

17.7

16.7

额定值(MPa300Lb

51.1

50.1

46.6

45.8

 

4.主要技术参数

公称压力

公称通径

流量系数 KV

转矩  N·M

适用介质

适用温度()

NPS(in)

DN(mm)

150Lb

300Lb

150Lb

300Lb

PN16

PN20

150Lb

PN50

300Lb

2

50

328

328

70

100

,油品.

天然气,蒸气

-29250

21/2

65

518

518

100

200

3

80

730

730

130

300

4

100

1315

1315

260

500

6

150

2921

2921

680

1170

8

200

5210

5210

970

1500

10

250

8158

8158

1215

2535

 

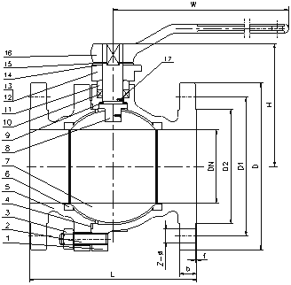
5.主要零件及连接尺寸:(连接尺寸见样本)

5.1阀体 2.螺栓 3.螺母 4.垫片 5.阀盖 6.阀座 7.球体 8.阀杆 9.调整垫 10.填料 11.填料垫  12.填料压板 13.内六角螺栓 14定位块 15.轴用弹性档圈 16.手柄 17.防静电弹簧

 

 

 

6.阀门主要零件材料

零件名称

  

  

  

  

  

螺栓/螺母

所用材料

WCB

WCB

PPL

A182 F304

20Cr13

35CrMoA/45

所用材料

CF3M

CF3M

PPL

316L

316L

B8/8

7.运输,贮存,安装,使用及维护

7.1 运输

7.1.1 运输过程中应避免磕碰而产生的阀杆弯曲,从而影响阀门的开启或关闭。

7.1.2 运输或安装过程中,手轮、驱动装置不允许用作起吊。

7.2 贮存

7.2.1在仓库保管时,阀门应处于全开位置,两边应加盖封闭,一切勿使污物进入阀门内,以免损伤密面。切不可使球阀长时间处于半开位置,否则会在密封面上形成压痕,造成泄漏。

7.2.2 阀门存放不应堆叠,应放在于燥通风室内。

7.2.3 长期存放,则应作定期外观和动作检查,便换防锈油,并清除表面污垢和铁锈。

73 安装

7.3.1安装前,应仔细核对铭牌上的各项内容是否符合使用要求,产品在出厂前已按标准规范及使用要求进行调试。因此在现场安装时,若产品在运输和保管过程中零件没有损坏,调整部位没有松动,则不需要再进行调试,就可以安装。

7.3.2 阀门应安装在水平管道上使阀杆垂直,切不可倒装,禁止敲打阀门。

7.3.3 安装阀门时,阀门应处于全开位置,以防球面遭到外物或焊接杂物飞出。

7.4.4安装时,应按对角方向均匀拧紧螺母,并配以适当的力矩,以保证阀门与管道法兰间连接密封可靠。

7.4 使用

7.4.1 关闭阀门时,顺时针方向转动手柄,至手柄与管道垂直为止,此时定位块达到全关极限位置。

7.4.2 开启阀门时,逆时针方向转动手柄,至到手柄与管道平行为止,此时阀门达到全开极限位置。

7.4.3在阀门应用时,不要让工作温度和工作压力超过允许的最大工作温度和最大工作压力,才能保证阀门的正常使用。

7.4.4  在阀门的安装过程中禁止敲打阀门。

7.4.5本阀门在系统运行中必须全开或全关,严禁作调节阀门用.

7.5  维护

7.5.1 适用于安装在野外,因此不需要采用特殊的保养措施。

7.5.2 如果阀门长期不动作,则应每月进行一次启闭操作,以检查阀门动作是否正常。

7.5.3 经维修后的阀门应按API 6D测试合格后方可使用。 

8.常见故障产生的原因及故障的预防、排除方法

常见故障

产生原因

预防、排除方法

                   1、填料处          的外漏

1、填料超过使用期限老化

2、阀杆精度不高,有弯曲、腐蚀、磨损等缺陷

3、操作不当,用力过猛

4、压盖歪斜,致使阀杆磨损,填料损坏

1、及时更换

2、阀杆弯曲、磨损后应进行矫直、修复,对损坏严重的应予更换

3、应严守操作规程,以匀速正常力量操作

4、应均匀压紧螺栓,消除单边磨擦

2、垫片处外漏

1、操作不平稳,引起压力、温度上下波动

2、垫片的压紧力不够

3、垫片的压紧力不均匀

1、精心调节、平稳操作

2、预紧力应符合要求,升温后应“热紧”

3、应均匀对称地拧紧螺栓

 

3、密封面泄漏(内漏)

1、密封面关闭不严

 

2、关闭力过大,密封面被压坏,挤变形

1、阀门的启、闭位置作出记号,对关闭不严的及时修复

2、按操作规程启闭阀门

4、关闭件脱落产生泄漏

1.操作不良,使关闭件卡死或超过上死点,连接处断裂

1、正确操作,关闭阀门不可用力过大,开启阀门不能超过上死点,全开后,手柄应倒转少许

5、阀杆操作不灵活

1、填料压得过紧,抱死阀杆

 

2、操作不良使阀杆及有关部件变形、损坏

1、填料压得过紧后,应适当放松压盖,即可消除填料抱死阀杆的现象

2、正确操作,用力适当

9.注意事项

9.1  本阀门的材料选择及其在使用中变质的可能性和必要的定期检查由用户负责考虑。

9.2  本阀门设计只考虑一般工况,如有特殊要求必须在合同上注明。

9.3  本阀门设计只考虑轻微腐蚀,对于有严重腐蚀或特殊腐蚀的场合,本阀门不适用。

9.4  阀门的工作温度范围不得超过设计温度,超过(含瞬时)此范围引起的后果完全是用户的责任。

9.5  阀门在工作过程中的体表温度可能引起人体烫伤,用户必须在相应部位设置警示标志。

9.6  阀门在运行过程中不得焊接修补和表面涂漆。

9.7  阀门在受压状态下不得拆卸。

9.8  阀门在修理过程中需按第六条表中的材料匹配。

9.9  本阀门设计未进行寿命计算,试用及疲劳校核,用户在使用中必须定期检修,更换。

9.10 本阀门设计未考虑地震载荷,由此引起的后果,制造厂概不负责。

主站蜘蛛池模板: 麻城市| 盘山县| 黑水县| 宕昌县| 梁山县| 社会| 青龙| 德庆县| 大港区| 防城港市| 凌海市| 昌图县| 格尔木市| 南通市| 辽中县| 葵青区| 健康| 仙游县| 九台市| 荣成市| 威海市| 绩溪县| 蕉岭县| 资溪县| 蒙城县| 玉林市| 平安县| 韶山市| 通海县| 毕节市| 台安县| 洛隆县| 福海县| 冀州市| 保山市| 加查县| 水富县| 庄河市| 九寨沟县| 乐至县| 友谊县|